一、放大電路概述
放大電路的核心要義在于把輸入信號進行有效放大,其運作根基緊密關聯著放大元件,例如晶體管、運算放大器等的獨特屬性以及電路布局設計。這些元件借助調控電流或電壓的波動,達成信號增強的使命,滿足諸如音頻放大、信號傳輸等多元場景對信號強度的需求。
二、放大電路的構成剖析
一個標準的放大電路架構涵蓋多個關鍵部件:
信號源模塊:擔當著提供原始微弱信號的重任,常見于各類傳感器、音頻設備等,其產生的信號通常幅度微小,需借助放大電路實現信號的初步增強。
放大器件單元:晶體管或場效應管等元件在此扮演核心角色,它們憑借自身對電流或電壓的精密調控能力,推動輸入信號的放大進程,實現信號幅度的顯著提升。
偏置電路系統:為放大器件量身打造合適的偏置環境,確保其穩定運行在預設的靜態工作點,猶如為精密儀器提供恒溫恒濕的工作空間,保障放大功能的可靠實現。
負載組件:作為放大后信號的接收端,負載形態多樣,如揚聲器、顯示器等,負責將放大的電信號轉化為聲音、圖像等直觀可感的輸出形式,完成信號傳遞與應用的“最后一公里”。
三、放大電路的類型劃分
依據放大電路的功能側重與應用場景差異,可細分為以下幾類:
按信號類型劃分:
電壓放大電路:聚焦于提升輸入信號的電壓幅值,廣泛適用于音頻放大器前端、射頻信號接收等場景,以獲取更高的電壓信號便于后續處理。
電流放大電路:著重于增強輸入信號的電流強度,常應用于電機驅動控制、大功率電源輸出等對電流驅動能力要求苛刻的環節,確保負載設備獲得充足電流驅動。
功率放大電路:協同放大電壓與電流,實現信號功率的大幅提升,音頻功率放大器、無線發射機等設備依賴其高功率輸出特性,將微弱信號放大至能驅動揚聲器發聲、天線發射的水平。
按組成元件劃分:
晶體管放大電路:以晶體管為放大核心,憑借其獨特的PN結結構與電流放大機制,通過基極電流細微變化引發表射極、集電極電流的顯著波動,在模擬信號放大領域表現卓越,如低頻音頻放大。
場效應管放大電路:場效應管依靠電場效應調控溝道導電性能,具有輸入阻抗高、噪聲低等優勢,在高頻率、高精度信號放大場景,如射頻電路、生物醫學信號采集等,展現獨特價值。
四、晶體管放大電路工作原理解析
晶體管放大電路運作流程如下:
輸入信號借助耦合電容或輸入電阻精準注入晶體管基極,耦合電容恰似一道“隔離墻”,在阻隔直流成分的同時,巧妙地讓交流信號順暢通過,實現信號的無損傳遞。
晶體管基極-發射極PN結響應輸入信號的正負半周波動,相應地改變其導通程度,從而激發基極電流與集電極電流的同步動態變化,猶如心臟的舒張收縮驅動血液流動,帶動整個電路的電流波動。
基極電流的細微變化,經晶體管內部的電流放大機制,如同經過一個“能量放大鏡”,促使集電極電流發生遠超基極電流幅度的顯著變化,實現信號電流的“放大增益”。
輸出電路經由耦合電容或輸出電阻連接至晶體管集電極,將放大后的信號高保真地傳遞至下一級電路或負載,耦合電容在此再次發揮交流信號傳遞作用,確保放大后的信號完整輸出,開啟信號后續應用的旅程。
五、運算放大器放大電路工作原理解析
運算放大器(以下簡稱運放),以高增益、高輸入阻抗特性著稱,其放大電路工作原理獨特:
輸入信號精準注入運放非反相輸入端(標號“+”),該輸入端好似一個信號接收“入口”,引導外部信號進入運放內部復雜處理網絡。
運放內置的差動放大器,對輸入信號進行深度放大處理,差動結構賦予其卓越的共模抑制能力,能精準提取差模信號并放大,即便面對微弱信號,也能將其“放大”至顯著幅度。
放大后的信號經運放反饋機制巧妙回輸至反相輸入端(標號“-”),形成負反饋閉環控制系統。這一反饋機制宛如一位精準的“平衡調節師”,實時對比輸出與輸入信號差異,微調輸出信號,使運放輸出與輸入信號偏差趨近于零,確保放大倍數穩定,輸出電壓在設定范圍內線性變化,為精密信號處理、instrumentation測量等提供高精度信號放大保障。
六、放大電路中的反饋機制深度解讀
反饋機制恰似放大電路的“智能調控大腦”,從電路輸出端抽取部分電壓或電流,反向輸送至輸入端,依據對輸入信號的影響,可細分為正、負反饋兩類:
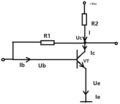
負反饋機制:當反饋信號反輸至輸入端,削弱原始輸入信號,致使輸入端電壓或電流幅度降低時,便形成負反饋。以電壓負反饋放大電路為例,當環境溫度攀升,晶體管集電極電流Ic增大,流經電阻R2的總電流隨之上升,致使R2上電壓UR2升高。由于R2一端連接固定電壓VCC,Uc點電壓應聲下降。此時,發射極接地電壓維持零值,晶體管基極-發射極導通電壓恒定為0.7V,Ub保持0.7V不變。Uc的降低帶動UR1減小,進而致使基極電流Ib減少,Ib的減少又牽引起Ic的回落。這一連貫的動態過程,完整演繹了負反饋的閉環調控:Ic增大-UR2增大-Uc減小-UR1減小-Ib減小-Ic減小,電阻R1在此過程中充當負反饋關鍵角色,引入負反饋后,有效抑制了溫度等外部干擾因素對電路靜態工作點的沖擊,穩定放大電路的性能表現。


正反饋機制:若反饋信號反送至輸入端,與原始輸入信號同向疊加,增強輸入端電壓或電流,則構成正反饋。正反饋多運用于信號振蕩生成、非線性信號處理等特殊場景,如石英晶體振蕩電路,利用正反饋原理激發持續穩定的振蕩信號,為時鐘電路、通信系統提供精準時鐘源,但使用不當易引發電路自激振蕩,致使信號失真,需謹慎設計與應用。
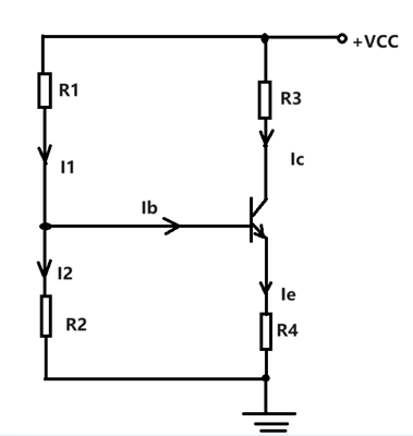
在實際電路布局中,電壓負反饋放大電路形式多樣,除上述經典結構外,發射極接入電阻的電路同樣廣泛應用。此類電路反饋機制為:當Ic增大,依據Ie=Ib+Ic,Ie相應增大,促使UR3升高。因R3一端接地,電壓為0V,發射極電壓Ue隨之上升。鑒于發射極與基極電壓差恒定0.7V,基極電壓Ub亦隨之升高。而R2一端電壓固定,UR2則減小,導致Ib下降,Ib的下降又致使Ic減少,形成閉合負反饋回路,電阻R3成為負反饋關鍵元件。此類負反饋電路與前文提及電路共享一個設計精髓——干路電阻一端電壓維持定值,這一設計巧思為負反饋機制的穩定運行提供基石。


七、分壓式偏置放大電路全面剖析
分壓式偏置放大電路集諸多優勢于一身,在放大電路家族中脫穎而出:
優勢呈現:相比固定偏置放大電路,分壓式偏置電路能有效克服靜態工作點不穩定難題,且在性能表現上遠超電壓負反饋放大電路,因此成為當下應用最為廣泛的放大電路類型,無論是在消費電子、工業控制還是通信設備等眾多領域,均有其忙碌的身影。
工作原理詳述:電路中,I1=I2+Ib。鑒于集電極電流Ic遠大于基極電流Ib,可近似認為Ic≈Ie,依據歐姆定律,Ie=UR4/R4。同時,晶體管基極-發射極電壓差恒定為0.7V,即Ub-Ue=0.7V,推導得Ue=0.7V+Ub。經合理配置R1和R2的阻值,確保I2>Ib,使I1≈I2,此時Ib小到可忽略不計,VCC在R1、R2之間實現分壓,Ub=[R1/(R1+R2)]×VCC。又因電阻R4一端接地,UR4即為Ue。綜合上述公式,可得Ic≈Ie=(Ub+0.7V)/R4,由此可知,在R1、R2、R4阻值既定的情況下,Ic基本保持恒定,為放大電路的穩定運行奠定堅實基礎。
局限性剖析:然而,該電路并非十全十美,存在一定的局限性。偏置電阻R1、R2的選值面臨兩難困境,阻值過大,將導致電路輸入阻抗降低,影響前級電路負載效應;阻值過小,則分壓作用弱化,無法為晶體管提供合適偏置電壓,同時,即使精準選配電阻阻值,電路自身仍會產生較大功耗,尤其在處理低頻信號、長時間持續工作場景下,這一問題愈發凸顯,一定程度上制約了電路的能效表現與廣泛應用。

〈烜芯微/XXW〉專業制造二極管,三極管,MOS管,橋堆等,20年,工廠直銷省20%,上萬家電路電器生產企業選用,專業的工程師幫您穩定好每一批產品,如果您有遇到什么需要幫助解決的,可以直接聯系下方的聯系號碼或加QQ/微信,由我們的銷售經理給您精準的報價以及產品介紹

〈烜芯微/XXW〉專業制造二極管,三極管,MOS管,橋堆等,20年,工廠直銷省20%,上萬家電路電器生產企業選用,專業的工程師幫您穩定好每一批產品,如果您有遇到什么需要幫助解決的,可以直接聯系下方的聯系號碼或加QQ/微信,由我們的銷售經理給您精準的報價以及產品介紹
聯系號碼:18923864027(同微信)
QQ:709211280

