78XX系列的三端穩壓芯片,制作電壓簡單又方便。
但是一般的常規電路,用在300mA一下的低頻負載沒什么問題,如果用在給QRP電臺供電,可能就會莫名的出現一些“幺蛾子”。
輕則芯片自激發熱,重則電臺總是“哼哼”。
交流哼聲,在DC(直變)接收機中比較容易發生,工作頻率越高,這種狀況越普遍,在14MHz和以上頻率可能會更嚴重。
產生這樣情況的機理,主要是因為DC接收機的差拍頻率與接收頻率相同,可變差拍振動器VBFO的高頻能量串入電源,到達整流二極管,由于二極管是典型的非線性器件,也是很好的調制器,會以100Hz的哼聲調制VBFO信號,然后被調制的信號輻射到天線,又被接收機再次接收,就聽到“哼哼”了。
如果使用端饋的長線天線或鞭狀天線狀況會更嚴重。這是因為天線與電源線距離近,而電源線也是一個電波的輻射體,如果使用電池則不會有這樣的情況發生。


對于交流供電,如何消除“哼哼”呢?
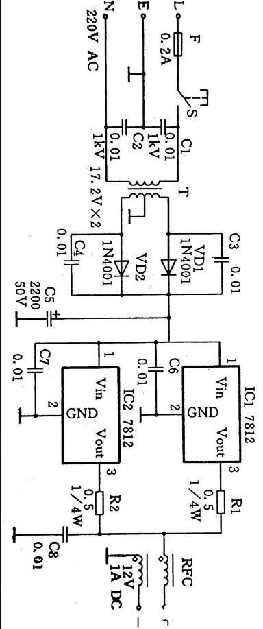
處理“哼哼”用了一些小方法。
整流二極管都并聯了0.01uF的瓷片電容,能把串入的雜散高頻信號旁路掉,而不是將它調制,避免電源線拾取或者輻射高頻能量。
電源的直流輸出,使用了高頻扼流線圈。
同時接收機的接地和電源的接地,要用非感性的方式妥善接地。使用同軸電纜作為天線的饋線。
為了避免7812自激振蕩,在貼近它的引腳處接上0.01uF的高頻退耦電容。
為了擴流,用兩個7812并聯輸出,在輸出端分別串聯0.5Ω的勻流電阻。
0.5Ω的勻流電阻,也可以用0.1mm的漆包線在1W的電阻上繞制,這樣的勻流電阻還是一個低Q值的電感,還能起到扼制高頻電流的作用。
高頻扼流線圈RFC,可用0.8mm左右的漆包線在至少30mm外徑的NXO-100磁環上均勻并繞20匝左右。
下圖2中的a和b圖分別給出了PCB布置參考。

〈烜芯微/XXW〉專業制造二極管,三極管,MOS管,橋堆等,20年,工廠直銷省20%,上萬家電路電器生產企業選用,專業的工程師幫您穩定好每一批產品,如果您有遇到什么需要幫助解決的,可以直接聯系下方的聯系號碼或加QQ/微信,由我們的銷售經理給您精準的報價以及產品介紹

〈烜芯微/XXW〉專業制造二極管,三極管,MOS管,橋堆等,20年,工廠直銷省20%,上萬家電路電器生產企業選用,專業的工程師幫您穩定好每一批產品,如果您有遇到什么需要幫助解決的,可以直接聯系下方的聯系號碼或加QQ/微信,由我們的銷售經理給您精準的報價以及產品介紹
聯系號碼:18923864027(同微信)
QQ:709211280

