IGBT是電力控制和電力轉換的核心器件,是由BJT(雙極型晶體管)和MOS(絕緣柵型場效應管)組成的復合全控型電壓驅動式功率半導體器件,具有高輸入阻抗,低導通壓降,高速開關特性和低導通狀態損耗等特點,非常適合高電壓和高電流的光伏逆變器、儲能裝置和新能源汽車等電力電子應用。
雙脈沖測試
為了評估功率器件的動態參數,通常采取的測量方法是雙脈沖測試。通過兩個脈沖,去控制器件的開關開關,然后測試在開關過程中的一些參數指標。
對比不同開關管參數及性能,同時可以獲取開關管開關過程中的參數,評估驅動電阻數值是否合適,是否需要吸收電路等。而且可以考量開關管在實際電路中的實際表現,反向恢復電流,關斷電壓尖峰,開通關斷時間等。
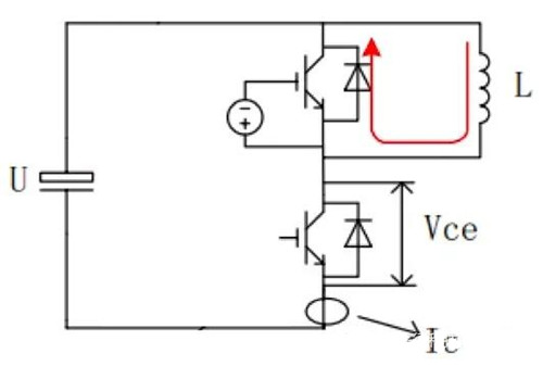
雙脈沖測試原理圖


將雙脈沖電壓加在在DUT的VGS上。當第一個脈沖施加之后,DUT處于導通狀態,而上面的管子一直處于關閉狀態,那么電流就順著紅色箭頭的方向,通過電感從上往下流過DUT,由于電感的電流不能瞬變,所以導通電流有一個從零開始逐漸增加到最大的過程。
電流上升的斜率可以用U/L得到。如母線電壓是1000V,電感是100uH,那么電流從零上升到100A的時間就是10us。


當電流達到最大(如100A),那就可以把DUT關閉了,那DUT管子會直接斷開。這時可以測試管子關斷過程中的一些參數,比如關斷時間、關斷損耗、關斷時的VDS震蕩等。
那么在關斷期間,由于電感的電流不能瞬變,所以這個電流會繼續順著箭頭的方向進行續流,所以上面這個管子又叫續流管。那這個過程中由于時間非常短,我們可以認為電感上的電流是不變的。

〈烜芯微/XXW〉專業制造二極管,三極管,MOS管,橋堆等,20年,工廠直銷省20%,上萬家電路電器生產企業選用,專業的工程師幫您穩定好每一批產品,如果您有遇到什么需要幫助解決的,可以直接聯系下方的聯系號碼或加QQ/微信,由我們的銷售經理給您精準的報價以及產品介紹

〈烜芯微/XXW〉專業制造二極管,三極管,MOS管,橋堆等,20年,工廠直銷省20%,上萬家電路電器生產企業選用,專業的工程師幫您穩定好每一批產品,如果您有遇到什么需要幫助解決的,可以直接聯系下方的聯系號碼或加QQ/微信,由我們的銷售經理給您精準的報價以及產品介紹
聯系號碼:18923864027(同微信)
QQ:709211280

