誤差放大器使用跨導放大器的傳遞函數是怎么樣的?
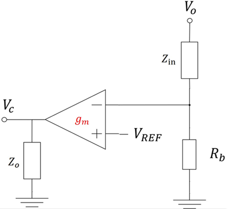
先看基本電路圖:

首先需要注意一點,跨導放大器的虛短此時就不成立了,不過其輸入阻抗也是很大的(這點值得商榷,一些跨導放大器的芯片也并不是很大,有的只有幾十K,有的幾百K)。
有資料顯示把跨導放大器的輸入阻抗當作無窮大來建模的,所以也就能用“虛斷”的概念。
假定跨導放大器的輸入阻抗無窮大,那么我們很容易求得上面這個跨導放大器的傳遞函數。

求解過程如下圖:

這個式子能看出什么?
1、分壓反饋網絡的兩個電阻對環路都有影響
Zin和Rd分別對應分壓反饋網絡的上下兩個電阻,傳遞函數有這兩個參數,所以兩個電阻都對環路有影響
2、實際電路中,補償電路就是Zo

〈烜芯微/XXW〉專業制造二極管,三極管,MOS管,橋堆等,20年,工廠直銷省20%,上萬家電路電器生產企業選用,專業的工程師幫您穩定好每一批產品,如果您有遇到什么需要幫助解決的,可以直接聯系下方的聯系號碼或加QQ/微信,由我們的銷售經理給您精準的報價以及產品介紹
聯系號碼:18923864027(同微信)
QQ:709211280

