74LS00為四組2 輸入端與非門(正邏輯),共有 54/7400、54/74H00、54/74S00、54/74LS00。
1.電特性
主要電特性的典型值如下:

2.引腳圖

圖1 74LS00引腳圖
3.極限值
電源電壓…………………………………………7V
輸入電壓
54/7400、54/74H00、54/74S00…………….5.5V
54/74LS00……………………………………7V
A-B 間電壓
除 54/74LS00 外………………………………5.5V
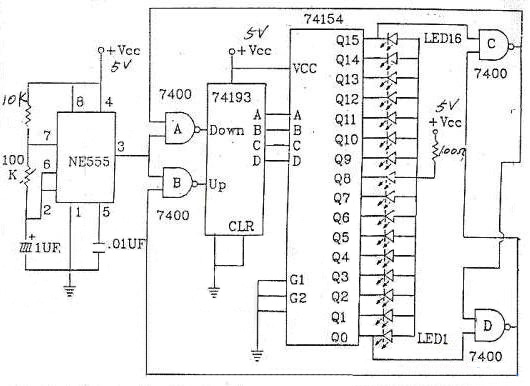
4.LED跑馬燈電路
本電路采用NE555、74LS00、74LS154、74LS193和LED制作的跑馬燈,制作簡單。
當電源打開后,解碼器74LS154的輸出端Q0為低電位時,74LS193為正數計數器,LED從D1……D16依次單個點燈,74LS154的輸出端Q15為低電位時,74LS193為侄數計數器,LED從D16……D1依次單個點燈,LED燈從D1依次亮至D16,然后從D16返回D1,如此循環不止。

圖2 LED跑馬燈電路圖
5.脈沖信號發生器(74LS10、74LS221)

圖3 脈沖信號發生器電路圖
如圖所示為簡易脈沖信號發生器電路。該信號發生器主要采用兩塊TTL集成電路(74LS00和74LS221)產生τ=4μs的脈沖信號,所用元器件較少,便于調試和維修。
6.方波發生器電路
采用與非門集成電路74LS00組成的方波發生器電路

圖4 方波發生器電路圖
所示是一種采用與非門集成電路74LSOO組成的方波發生器電路。其中與非門1、2與外界
RC時間常數元件組成振蕩電路,與非門3為緩沖輸出級。只要改變C的容量,便可獲得不同頻率的方波輸出。
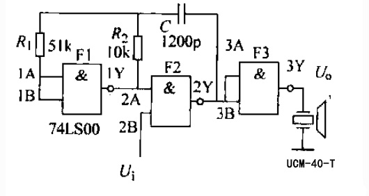
7.超聲波發射電路
是由一塊74LSOO四一二輸A與非r電路組成的超聲波發射電路。其中Fl、尉、C組成振蕩電路,產生40kH振蕩信號.經F2調制后,送往F3激勵電路推動傳感器UCM-40-T工作,發出超聲波信號。

圖5 超聲波發射電路圖
該電路中Fl、F3接成非門形式,而F2作為與非門使用,有利于調制信號的引入。由此看來,本電路具有結構簡單,調試方便,只需一塊74LSOO芯片即可同時完成振蕩、調制、激勵、發射超聲波的任務。
該電路的振蕩周期由Rz、C乘積確定,其計算公式為t振蕩周期T-2.2R。C,將參aklt代A,其振蕩頻率約為40kHz。也可改變R、‘C的數值,選擇需要的其他振蕩頻率。
電話:18923864027(同微信)
QQ:709211280
〈烜芯微/XXW〉專業制造二極管,三極管,MOS管,橋堆等,20年,工廠直銷省20%,上萬家電路電器生產企業選用,專業的工程師幫您穩定好每一批產品,如果您有遇到什么需要幫助解決的,可以直接聯系下方的聯系號碼或加QQ/微信,由我們的銷售經理給您精準的報價以及產品介紹

