太陽能路燈系統實質上是一個小的獨立光伏系統,主要由太陽能電池、蓄電池、控制電路、照明電路四部分組成。目前,太陽能路燈控制器還處于研究和開發階段,市售的控制器多采用單片機控制方式,有電路復雜、成本較高、維修困難等缺點。針對這些不足,本文設計了一種新型的太陽能LED照明控制電路,利用TIA31的可控開關特性實現了太陽能路燈系統路燈的開關控制、蓄電池過充電、過放電保護等功能。該控制器高效、節能、靈敏,能夠滿足太陽能路燈在實際應用中的要求。
1.控制器主要功能
(1)蓄電池過充電保護功能:白天,光伏板在控制器的控制下向蓄電池充電,當蓄電池端電壓升高到14.4V時,控制器自動切斷充電回路,防止過充電,保護蓄電池,延長其壽命。
(2)蓄電池過放電保護功能:夜晚,蓄電池在控制器的控制下向LED路燈供電,當蓄電池端電壓降低到10.6V時,控制器自動切斷LED路燈,避免蓄電池過放電。
(3)LED路燈自動通斷功能與恒流控制功能:夜幕降臨時,自然光照亮度低于室外照明亮度要求,控制器自動打開太陽能路燈開關,蓄電池向路燈供電。當白天自然光充足時,控制器控制太陽能路燈自動熄滅。蓄電池電壓通常被控制在10.6V~14.4V之間。為保持LED路燈的光照度基本一致并提高蓄電池供電時間,通過LED路燈恒流控制電路控制LED路燈電流基本保持恒流。
2.控制器硬件設計
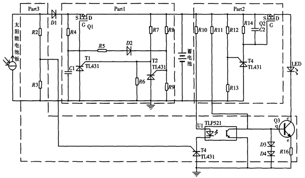
本文設計的太陽能路燈控制器電路如圖1所示。


太陽能路燈控制器電路框圖
圖1 太陽能路燈控制器電路框圖
2.1TL431芯片簡介
TL431是德州儀器公司(TI)生產的一個有良好熱穩定性能的精密三端并聯穩壓二極管并聯穩壓器。如圖2所示,TL431由一個2.5V的精密基準電壓源、一個電壓比較器和一個輸出開關管等組成。參考端R的輸出電壓與2.5V的精密基準電壓源比較,當R端電壓VR達到或超過2.5V時,TL431陰極向陽極方向立即導通。精確控制R極信號電壓,就可以精確控制其陰極向陽極方向的開關狀態。


TL431等效功能框圖
圖2 TL431等效功能框圖
本太陽能路燈控制器就是基于TL431的這個功能對控制電路進行設計的。
2.2過充電保護控制電路設計
蓄電池是太陽能路燈系統的重要部件,必須設計保護電路以避免電池過壓或欠壓,從而延長電池壽命。設計中選擇的型號為12V 7.2AH的蓄電池,要求電壓保持在10.6V~14.4V。
圖1中虛線框Part1部分為蓄電池過充電保護控制電路原理圖。通過合理選擇R8和R9的阻值,使得當蓄電池兩端電壓達到14.4V時,T2參考極電壓恰好達到2.5V,T1參考極和陽極之間的電壓小于2.5V。因此,T1被關斷,從而P溝道場效應管Q1工作在截止區,將充電回路切斷,從而避免電池過充電。
電路中利用T2控制T1的參考極電壓,使得T1的參考電壓只出現在遠大于或遠小于2.5V的區間,從而避免了來自太陽能電池側電路的干擾,這樣可使電池電壓剛到達14.4V時,電路能夠徹底切斷,增加了保護電路的穩定性和可靠性。
2.3過放電保護控制電路設計
圖1中虛線框Part2部分給出了蓄電池過放電保護控制電路原理圖。過放電保護控制電路與過充電保護控制電路有一定的相似性,通過合理選擇R12和R13的阻值可以控制T3的開通與關斷,從而達到防止電池過放電以致電壓低于10.6V的目的,在此不予贅述。
2.4LED路燈控制電路設計
如圖1中虛線框Part3部分給出了LED路燈控制電路原理圖,其實現的功能是白天關燈、晚上開燈和LED準恒流控制功能。
具體開關動作主要由T4(TIA31)實現。當VR≥2.5V時,T4陰極向陽極導通,從而控制光耦開關U1導通,NPN型三極管Q3進入截止區,從而將LED負載從主電路中切除出去,路燈滅;反之,當VR<2.5V時,三極管工作在飽和區,LED負載通過Q3接入主回路,路燈亮。利用太陽能電池板在不同光照強度下(白天和黑夜)開路電壓不同的特點,選擇合適阻值的R2和R3,使得在路燈需要開或關時刻的光照強度下,R3兩端電壓(即T4的參考極電壓)恰好為2.5V,即可實現路燈的智能開關控制。
電池向LED負載供電過程中,由于二極管D3、D4的鉗位作用,Q3的b極電壓基本保持不變,其e極電壓亦維持在較穩定狀態,R16中的電流基本恒定,從而實現LED準恒流控制功能。
另外,在實際應用中,控制器電路中的Q2和Q3可以用一個AP4511GM芯片代替,既可以簡化電路,又可以降低成本。
3.控制器性能測試
為了對控制器進行測試,選取了18V20W太陽能電池板和12V 7.2AH蓄電池、230mA LED燈對控制器進行了實際測試。
3.1充電性能測試
太陽能電池板的開路電壓隨光照強度變化而變化,所以蓄電池充電曲線還受天氣、時間等因素的影響。在實驗中選取了3個晴天,從上午10:00開始進行充電測試,得出蓄電池在理想狀態下利用控制器進行充電的曲線如圖3所示。在一天中光照條件較好的10:00到15:00的5個小時內,蓄電池電壓從10.8V升到14.4V,實際上此時控制器已關斷充電回路。從充電曲線可以看出,控制器滿足充電控制的設計要求。


蓄電池充電曲線
圖3 蓄電池充電曲線
3.2放電性能測試
為了得到完整的放電曲線,將太陽能板用黑布覆蓋或切斷充電回路進行連續放電,蓄電池放電曲線如圖4所示,其中放電電流基本保持在230mA左右。可以看出,蓄電池可以保持路燈工作16個小時,并在10.6V左右自動關斷,其放電性能滿足太陽能路燈設計要求。


蓄電池放電曲線
圖4 蓄電池放電曲線
結束語
本文總結基于TL431的太陽能LED路燈控制器設計,該控制器具有過充電、過放電保護、LED準恒流控制等功能,并可根據亮度自動啟動和關閉LED路燈。通過實驗表明:該控制器不僅能夠滿足LED路燈的控制要求,而且運行可靠、成本低廉、維修方便,具有極高的推廣價值。
電話:18923864027(同微信)
QQ:709211280
〈烜芯微/XXW〉專業制造二極管,三極管,MOS管,橋堆等,20年,工廠直銷省20%,上萬家電路電器生產企業選用,專業的工程師幫您穩定好每一批產品,如果您有遇到什么需要幫助解決的,可以直接聯系下方的聯系號碼或加QQ/微信,由我們的銷售經理給您精準的報價以及產品介紹

