一、快充與場效應管
消費電子市場的火爆場面拉動了快充的內需,而快充的興起也帶動了MOSFET的需求增長。
用于整流同步的MOS管,可以保證在快充電源提高電壓來達到高電流高功率充電時的用電安全性。而低電壓高電流充電的“閃充”對整流同步的MOS管要求更為嚴苛,MOS管用量也呈上升趨勢。


【預計2022年全球充電器市場規模,圖數據源自未來智庫】
目前鋰電材料及儲能研究技術步伐仍無法跟上人民依賴電子設備程度的增長,電子設備的續航問題沒有大的突破性進展,快充的興起就顯得尤為重要。市場為了解決各家不同快充技術的使用局限性,推出USB PD協議來統一快充技術。
2020年5月,Wei YongXiang設計了一款符合USB PD協議的快充移動電源,采用三段式充電和四開關管升降壓電路,并且選用了我們的場效應管,實現了兼容性強的大功率快充功能,充放電效率大于等于,具有外圍器件需求小,電轉換效率率高,延長鋰電池壽命等優點。


【USB PD快充移動電源結構圖】
二、系統電路設計
主電路部分設計參數
最大充電功率:90W(20W/)
最大輸出功率:65W(20V/)
電池組:四節鋰電池串聯
控制核心:數字電源管理SOC芯片EDP3010
電感L>μF
電容:22μF貼片電容*3,35V耐壓120μF固態電容
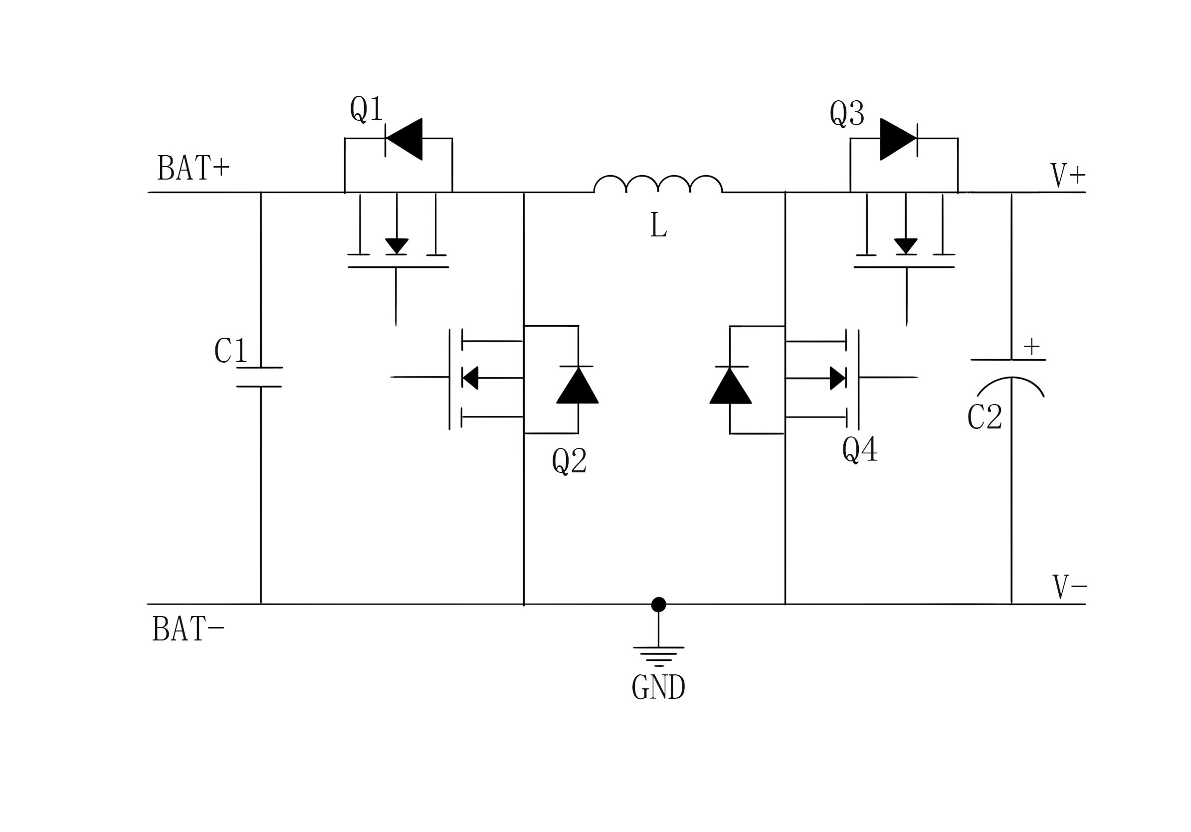
開關電源電路采用四開關Buck-Boost電路結構


【四開關升降壓主電路】
Mos管的選擇條件:
l 承受耐壓20V
l 承受最大電流>9A
l 導通電阻較小
文中選用的MOS管是VBQA1302,VDS=30V,Rds(on)=Ω。還有其他型號的產品可供選擇。
可選用的功率場效應管:
①VBQA1302
②VBQA1303
③VBQA1301
④VBZQA120N03
⑤VBZQA80N03


【可選用的MOS管型號】
下面是文獻中提到的系統其他部分的電路圖


【type c端口監測模塊】


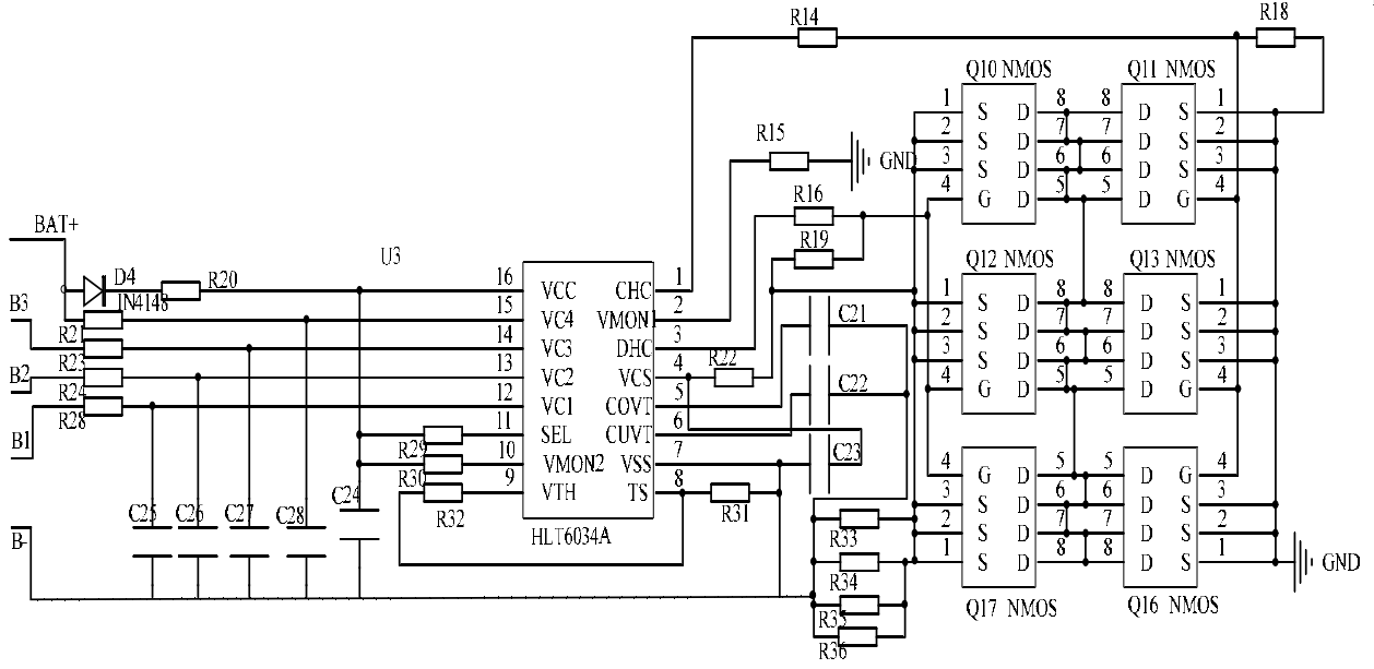
【鋰電池保護模塊電路圖】


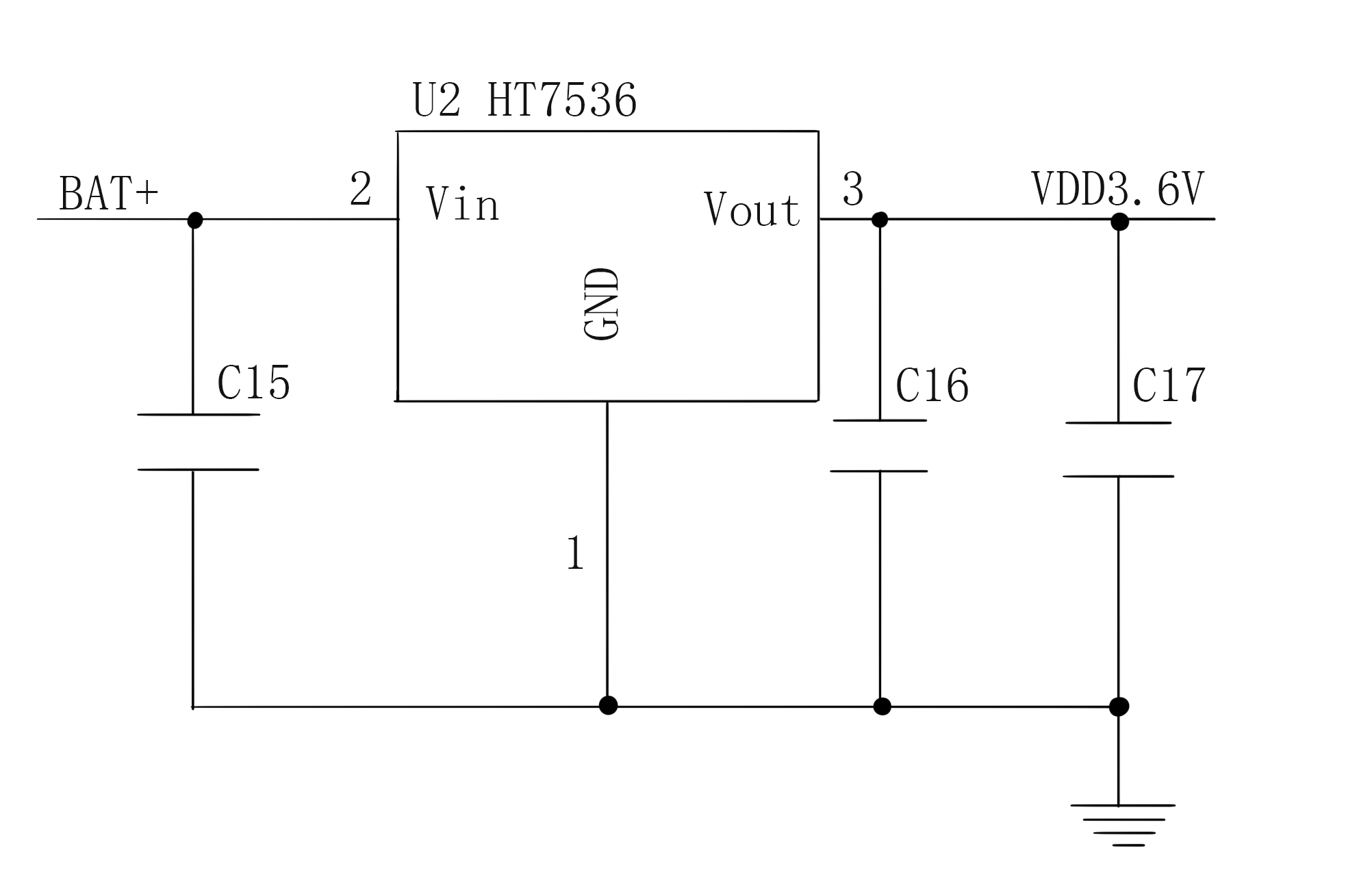
【給控制核心供電的輔助電源模塊電路圖】
三、MOS管封裝及應用
主要產品的封裝有:SOP-8 、TO-220(F)、TO-263、TO-247、TO-252、TO-251、SOT-23、SOT-223、SOT-89、QFN、AO3400、IRF540、IRF630等系列封裝產線。


【MOS管產品封裝】
廣泛應用于3C數碼、安防設備、測量儀器、廣電教育、家用電器、軍工/航天、可穿戴設備、汽車電子、網絡通信、物聯網IoT、新能源、醫療電子、照明電子、智能家居、電腦主板顯卡、MID\UMPC 、GPS、藍牙耳機、PDVD、車載DVD、汽車音響、液晶顯示器、移動電源、手機電池(鋰電池保護板)、LED電源等產品。
烜芯微專業制造二極管,三極管,MOS管,橋堆等20年,工廠直銷省20%,4000家電路電器生產企業選用,專業的工程師幫您穩定好每一批產品,如果您有遇到什么需要幫助解決的,可以點擊右邊的工程師,或者點擊銷售經理給您精準的報價以及產品介紹
烜芯微專業制造二極管,三極管,MOS管,橋堆等20年,工廠直銷省20%,4000家電路電器生產企業選用,專業的工程師幫您穩定好每一批產品,如果您有遇到什么需要幫助解決的,可以點擊右邊的工程師,或者點擊銷售經理給您精準的報價以及產品介紹

